lemon-mirror:
Home >> Ford >> 2011 >> E 150 V8-5.4L >> Repair and Diagnosis >> Powertrain Management >> Computers and Control Systems >> Fuel Level Sensor >> Service and Repair >> Fuel Pump Module

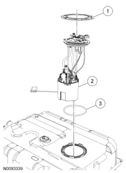
Fuel Pump Module




Fuel Pump Module





Aft-of-Axle Fuel Tank

NOTE: The 151L (40 gal) aft-of-axle fuel tank shown, 208L (55 gal) aft-of-axle fuel tank and ambulance package fuel tank similar.











Midship Fuel Tank









Removal and Installation

WARNING: Do not smoke, carry lighted tobacco or have an open flame of any type when working on or near any fuel-related component. Highly flammable mixtures are always present and may be ignited. Failure to follow these instructions may result in serious personal injury.

WARNING: Do not carry personal electronic devices such as cell phones, pagers or audio equipment of any type when working on or near any fuel-related component. Highly flammable mixtures are always present and may be ignited. Failure to follow these instructions may result in serious personal injury.

WARNING: When handling fuel, always observe fuel handling precautions and be prepared in the event of fuel spillage. Spilled fuel may be ignited by hot vehicle components or other ignition sources. Failure to follow these instructions may result in serious personal injury.

All fuel tanks

1. Remove the fuel tank. For additional information, refer to Fuel Tank - Midship Fuel Tank - Midship or Fuel Tank - Aft-of-Axle Fuel Tank - Aft-of-Axle.

2. Place the fuel tank on a suitable work surface.

Midship fuel tank

3. Disconnect the fuel vapor tube-to-Fuel Pump (FP) quick connect coupling. For additional information, refer to Fuel System - General Information Service and Repair.





All fuel tanks

4. Using the Fuel Tank Sender Unit Wrench, remove the FP module lock ring.





5. NOTE: If the FP does not clear the FP mounting flange on the fuel tank, the use of a screwdriver may be necessary.

Remove the FP and FP O-ring seal.

- If necessary, insert a screwdriver into the empty FP rod hole and slightly pull the screwdriver inboard until the base of the FP clears the FP mounting flange.

- Discard the FP O-ring seal.





6. To install, reverse the removal procedure.
- Install a new FP O-ring seal.