lemon-mirror:
Home >> Ford >> 2011 >> Crown Victoria V8-4.6L >> Repair and Diagnosis >> Powertrain Management >> Computers and Control Systems >> Fuel Pressure Sensor >> Service and Repair

Fuel Pressure Sensor: Service and Repair




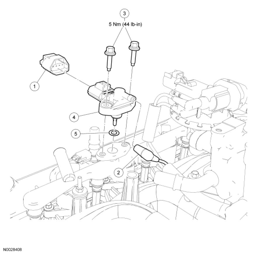
Fuel Rail Pressure and Temperature Sensor





Removal and Installation









1. WARNING: Do not smoke, carry lighted tobacco or have an open flame of any type when working on or near any fuel-related component. Highly flammable mixtures are always present and may be ignited. Failure to follow these instructions may result in serious personal injury.

WARNING: Do not carry personal electronic devices such as cell phones, pagers or audio equipment of any type when working on or near any fuel-related component. Highly flammable mixtures are always present and may be ignited. Failure to follow these instructions may result in serious personal injury.

Release the fuel system pressure. For additional information, refer to Fuel System - General Information Service and Repair.

2. Disconnect the battery ground cable. For additional information, refer to Battery, Mounting and Cables Battery Disconnect.

3. Disconnect the fuel rail pressure and temperature sensor electrical connector.

4. Disconnect the fuel rail pressure and temperature sensor vacuum connector.

5. Remove the 2 bolts and the fuel rail pressure and temperature sensor.
- To install, tighten to 5 Nm (44 lb-in).

6. Remove and discard the O-ring seal.
- Install a new O-ring seal and lubricate it with clean engine oil.

7. To install, reverse the removal procedure.