lemon-mirror:
Home >> Ford >> 2011 >> Crown Victoria V8-4.6L >> Repair and Diagnosis >> Diagrams >> Exploded Views >> Disc Brake System

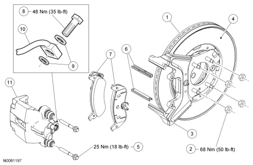
Disc Brake System




Disc Brake System - Exploded View