lemon-mirror:
Home >> Ford >> 2010 >> Transit Connect L4-2.0L >> Repair and Diagnosis >> Heating and Air Conditioning >> Control Assembly >> Service and Repair >> Blower Motor Switch

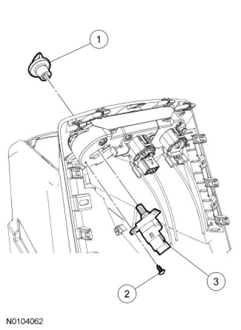
Blower Motor Switch




Blower Motor Switch









Removal and Installation

1. Remove the floor console. For additional information, refer to Instrument Cluster / Carrier &/or Interior Moulding / Trim.

2. Remove the blower motor switch knob.

3. Remove the blower motor switch screw.

4. Rotate the blower motor switch to disengage it from the climate control assembly and remove the blower motor switch.

5. To install, reverse the removal procedure.