lemon-mirror:
Home >> Ford >> 2010 >> Transit Connect L4-2.0L >> Repair and Diagnosis >> Diagrams >> Electrical Diagrams >> Keyless Entry

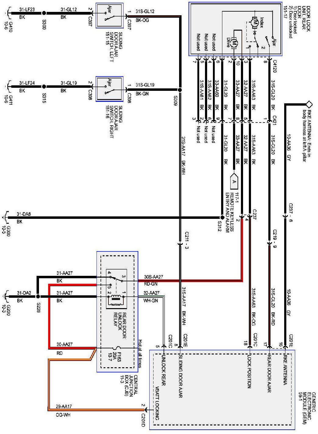
Keyless Entry

PLEASE NOTE: Some diagrams may appear to be missing because of gaps in the number sequences. These "gaps" are actually for diagrams that do not apply to the vehicle model selected.


117-1:






117-2:






Diagrams: Other diagrams referred to by number (i.e. 13-2, 24-6, 10-2, etc.) within these diagrams can be found at Diagrams By Number. Diagrams By Number

Locations: Location Views (reference numbers starting with 151-) referred to within these diagrams can be found at Location Views. Location Views