lemon-mirror:
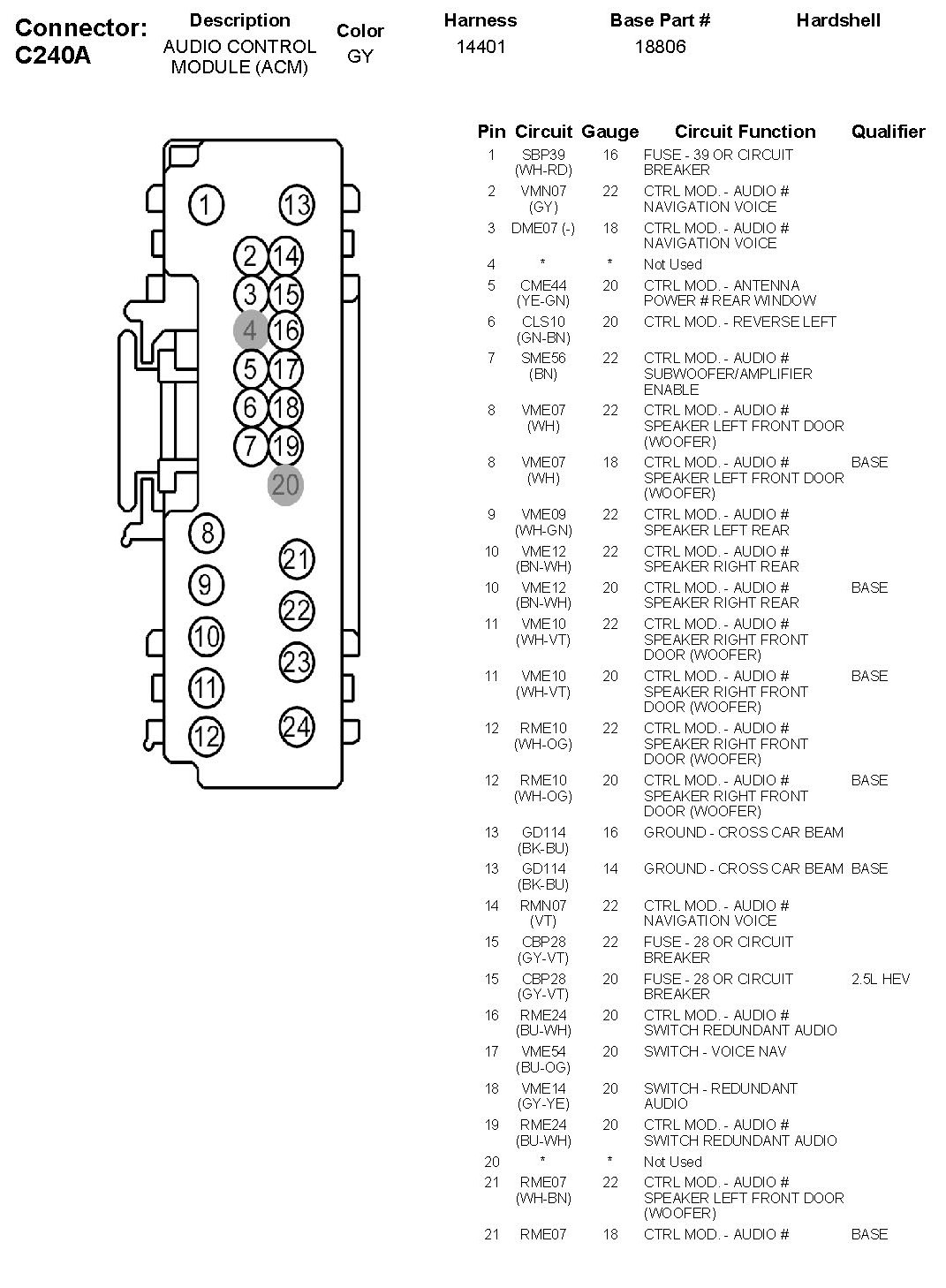
Home >> Ford >> 2010 >> Fusion FWD L4-2.5L >> Repair and Diagnosis >> Diagrams >> Connector Views >> Communications Control Module >> Audio Control Module (ACM)

Audio Control Module (ACM)