lemon-mirror:
Home >> Ford >> 2010 >> Focus L4-2.0L >> Repair and Diagnosis >> Powertrain Management >> Emission Control Systems >> Diagrams

Emission Control Systems: Diagrams




Engine Emission Control

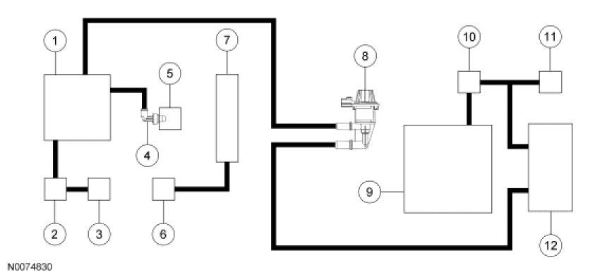
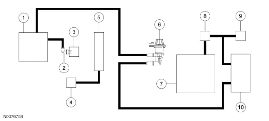
Vehicle Emission Vacuum Routing

Partial Zero Emissions Vehicle (PZEV)









Non PZEV