lemon-mirror:
Home >> Ford >> 2010 >> Focus L4-2.0L >> Repair and Diagnosis >> Diagrams >> Exploded Views >> Oil Filter, Engine

Oil Filter, Engine




Engine Lubrication Components - Exploded View



Oil Filter, Oil Filter Adapter and Engine Oil Pressure (EOP) Switch











Transaxle Bolts for Oil Pan Removal

NOTE: Automatic transaxle shown, manual transaxle similar.













Oil Pan, Oil Pump Screen and Pickup Tube

NOTE: Automatic transaxle shown, manual transaxle similar.













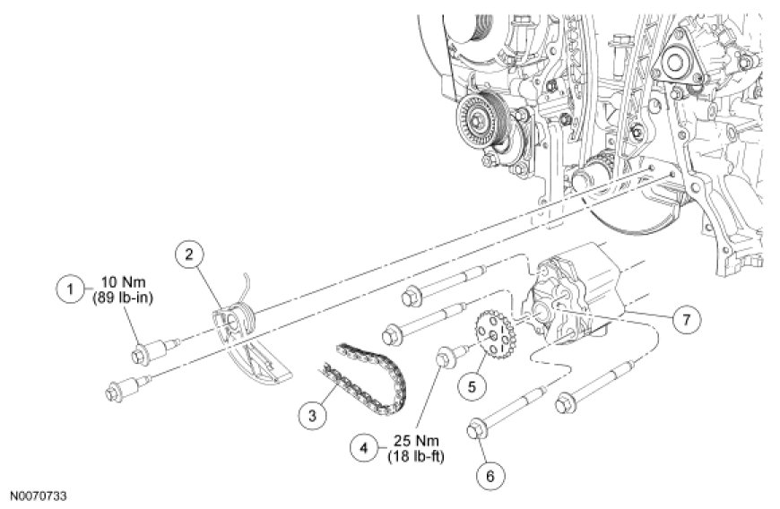
Oil Pump