lemon-mirror:
Home >> Ford >> 2010 >> F 150 4WD V8-6.2L >> Repair and Diagnosis >> Powertrain Management >> Computers and Control Systems >> Knock Sensor >> Service and Repair

Knock Sensor: Service and Repair




Knock Sensor (KS) - 6.2L (2V)









Removal and Installation

1. Remove the intake manifold. For additional information, refer to Engine.

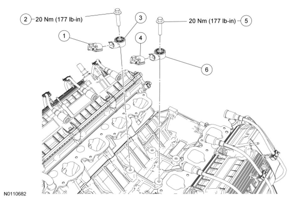
2. Disconnect the 2 Knock Sensor (KS) electrical connectors.

3. Remove the 2 bolts and the 2 KS sensors.
- To install, tighten to 20 Nm (177 lb-in).

4. To install, reverse the removal procedure.