lemon-mirror:
Home >> Ford >> 2010 >> Explorer AWD V8-4.6L >> Repair and Diagnosis >> Powertrain Management >> Computers and Control Systems >> Crankshaft Position Sensor >> Service and Repair

Crankshaft Position Sensor: Service and Repair




Crankshaft Position (CKP) Sensor - 4.6L (3V)

















Removal and Installation

1. With the vehicle in NEUTRAL, position it on a hoist. For additional information, refer to Vehicle Jacking and Lifting.

2. Remove the accessory drive belt. For additional information, refer to Drive Belts, Mounts, Brackets and Accessories.

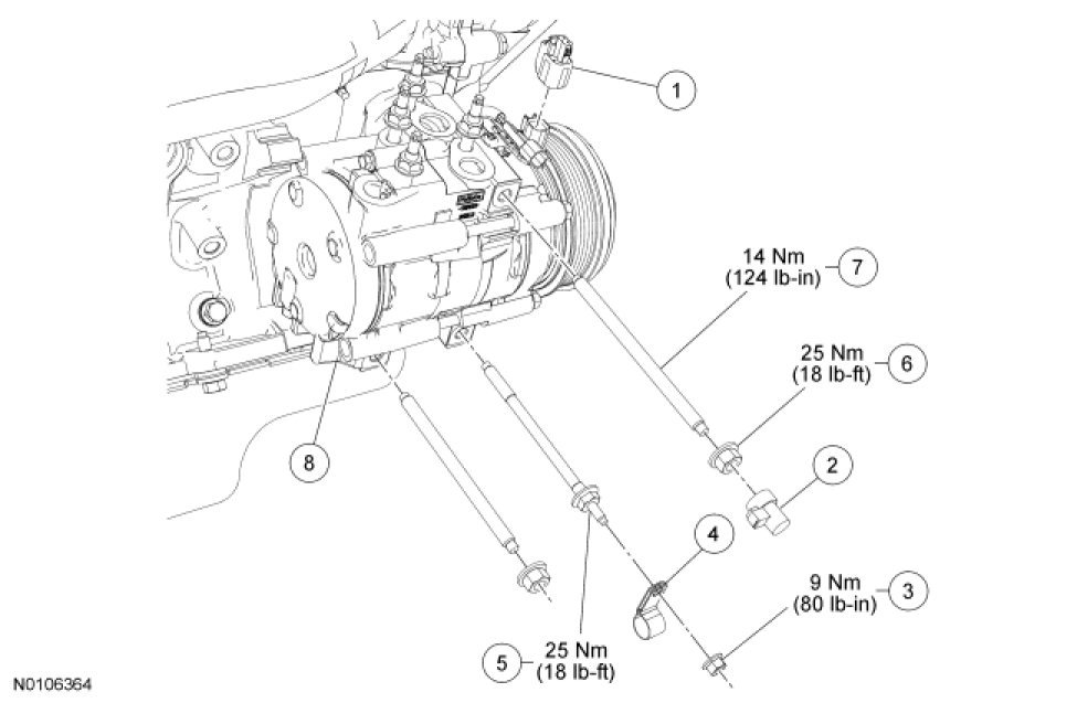
3. Disconnect the A/C compressor coil electrical connector.

4. Detach the battery cable retainer from the A/C compressor stud bolts.

5. Remove the nut and detach the A/C tube bracket.
- To install, tighten to 10 Nm (89 lb-in).

6. Remove the nuts, the stud bolt and position the A/C compressor aside.
- To install, tighten to 25 Nm (18 lb-ft).

7. Disconnect the Crankshaft Position (CKP) sensor electrical connector.

8. Remove the bolt and the CKP sensor.
- To install, tighten to 10 Nm (89 lb-in).

9. To install, reverse the removal procedure.