lemon-mirror:
Home >> Ford >> 2010 >> Explorer 2WD V8-4.6L >> Repair and Diagnosis >> Powertrain Management >> Ignition System >> Spark Plug >> Service and Repair >> Engine Ignition Components - Exploded View

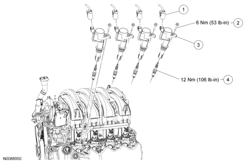
Engine Ignition Components - Exploded View




Engine Ignition Components - Exploded View

Ignition Components RH Side









Ignition Components LH Side