lemon-mirror:
Home >> Ford >> 2010 >> Explorer 2WD V8-4.6L >> Repair and Diagnosis >> Powertrain Management >> Computers and Control Systems >> Transmission Position Sensor/Switch >> Service and Repair

Transmission Position Sensor/Switch: Service and Repair




Digital Transmission Range (TR) Sensor













Removal

1. With the vehicle in NEUTRAL, position it on a hoist. For additional information, refer to Vehicle Jacking and Lifting.

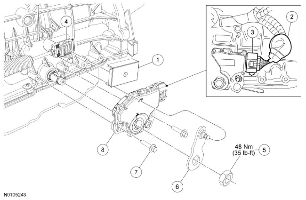
2. Remove the selector lever cable shield by prying on the side of the selector lever cable shield closest to the Transmission Range (TR) sensor connector boot, then sliding the selector lever cable shield away from the TR sensor connector boot.





3. Move the TR sensor connector boot back to gain access to the TR sensor connector.





4. Disconnect the TR sensor connector.





5. NOTICE: To prevent selector lever cable damage, do not apply force to the selector lever cable between the manual control lever and the selector lever cable bracket.

Remove the selector lever cable from the manual control lever.





6. Remove the manual control lever nut.





7. Remove the TR sensor.





Installation

1. NOTICE: The Transmission Range (TR) sensor must fit flush against the boss on the case to prevent damage to the sensor.

Install the TR sensor and loosely install the TR sensor screw and washer (2 required).





2. NOTICE: Tightening one screw before tightening the other may cause the sensor to bind or become damaged.

NOTE: The manual control lever must be in the NEUTRAL position.

Using the TR Sensor Alignment Gauge, align the TR sensor and tighten the screws in an alternating sequence.
- Tighten to 8 Nm (71 lb-in).





3. Install the manual control lever and the manual control lever nut.
- Tighten to 48 Nm (35 lb-ft).





4. NOTICE: To prevent selector lever cable damage, do not apply force to the selector lever cable between the manual control lever and the selector lever cable bracket.

NOTE: When installing the selector lever cable end, make sure that the selector lever cable end is correctly installed onto the manual control lever. Pull back on the selector lever cable to make sure that the selector cable end is correctly installed onto the manual control lever.

Install the selector lever cable end onto the manual control lever.





5. Connect the TR sensor connector.





6. Move the TR sensor connector boot back over the TR sensor connector.





7. NOTE: If the selector lever cable shield is loose on the selector lever cable, install a new selector lever cable shield.

Install the selector lever cable shield.





8. Verify that the selector lever cable is adjusted correctly. For additional information, refer to Automatic Transmission/Transaxle.