lemon-mirror:
Home >> Ford >> 2010 >> Explorer 2WD V8-4.6L >> Repair and Diagnosis >> Powertrain Management >> Computers and Control Systems >> Knock Sensor >> Service and Repair

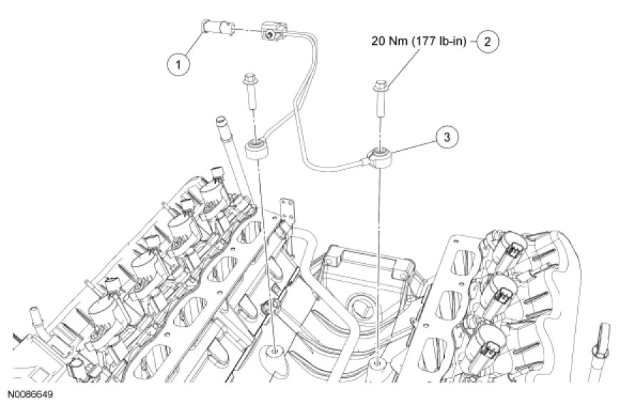
Knock Sensor: Service and Repair




Knock Sensor (KS) - 4.6L (3V)









Removal and Installation

1. Remove the intake manifold. For additional information, refer to Engine.

2. Disconnect the Knock Sensor (KS) electrical connector.

3. Remove the bolts and the KS.
- To install, tighten to 20 Nm (177 lb-in).

4. To install, reverse the removal procedure.