lemon-mirror:
Home >> Ford >> 2010 >> Edge FWD V6-3.5L >> Repair and Diagnosis >> Diagrams >> Exploded Views >> Automatic Transmission/Transaxle >> System Diagram >> Disassembled Views

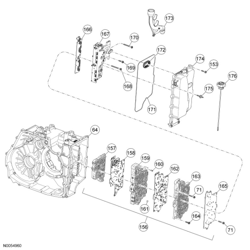
Disassembled Views




Disassembled Views