lemon-mirror:
Home >> Ford >> 2010 >> Edge FWD V6-3.5L >> Repair and Diagnosis >> Body and Frame >> Seats >> Seat Temperature Control Module >> Service and Repair >> Seat - Exploded View, Front

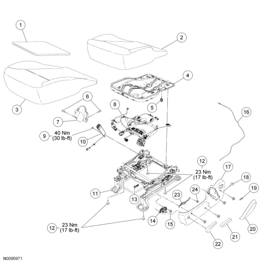
Seat - Exploded View, Front




Seat - Exploded View, Front

Front Seat Backrest, Manual and Power Recline, Without Fold Flat

NOTE: Driver backrest shown, passenger similar.

NOTE: Manual recliners without fold-flat backrest are serviced with the backrest frame. Power recliners without fold-flat backrest are serviced separately.

NOTE: A new heater mat will come assembled on a new foam pad.










Front Seat Backrest, Manual Recline With Fold Flat

NOTE: Optional backrest on passenger seat only.

NOTE: Manual recliners with fold-flat backrest are serviced separately.

NOTE: A new heater mat will come assembled on a new foam pad.










Seat Cushion With Power Seat Track

NOTE: Driver seat shown, passenger similar.

NOTE: A new heater mat will come assembled on a new foam pad.










Driver Seat Cushion With Manual Seat Track

NOTE: A new heater mat will come assembled on a new foam pad.










Passenger Seat Cushion With Manual Seat Track

NOTE: A new heater mat will come assembled on a new foam pad.










Passenger Power Seat Track

NOTE: To install a new Occupant Classification System Module (OCSM) or an Occupant Classification Sensor (OCS) weight sensor bolt, refer to the appropriate procedure in Restraint Systems.