lemon-mirror:
Home >> Ford >> 2010 >> E 150 V8-5.4L >> Repair and Diagnosis >> Powertrain Management >> Computers and Control Systems >> Knock Sensor >> Service and Repair

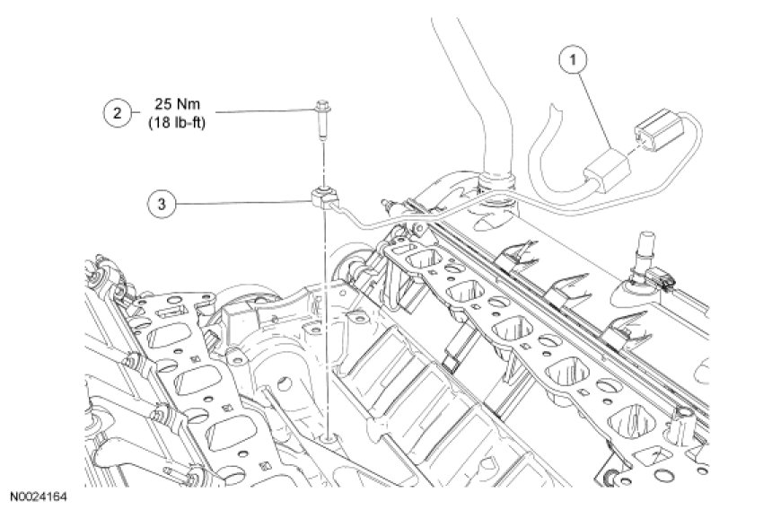
Knock Sensor: Service and Repair




Knock Sensor (KS)

NOTE: 6.8L shown, 4.6L and 5.4L similar.











Removal and Installation

1. Remove the intake manifold. For additional information, refer to Engine.

2. Disconnect the Knock Sensor (KS) electrical connector.

3. Remove the bolt and the KS.
- To install, tighten to 25 Nm (18 lb-ft).

4. To install, reverse the removal procedure.