lemon-mirror:
Home >> Ford >> 2010 >> E 150 V8-5.4L >> Repair and Diagnosis >> Diagrams >> Exploded Views >> Utility Storage Compartment

Utility Storage Compartment




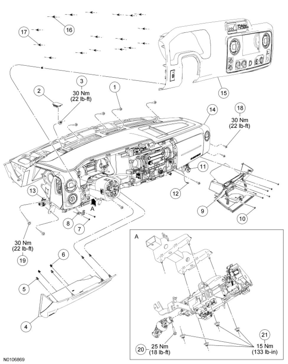
Instrument Panel - Exploded View

Panels and Fasteners











Vacuum and Electrical Connector View