lemon-mirror:
Home >> Ford >> 2010 >> E 150 V8-5.4L >> Repair and Diagnosis >> Diagrams >> Exploded Views >> Disc Brake System >> Front Disc Brake

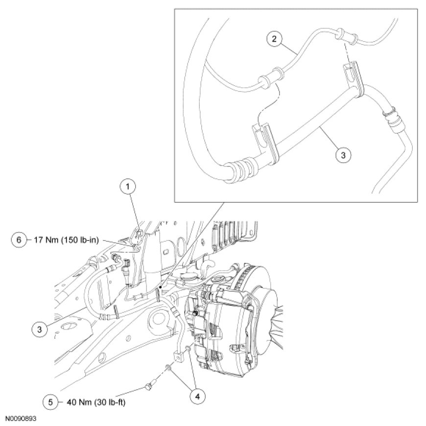
Front Disc Brake




Disc Brake System - Exploded View

Front Disc Brake (View 1 of 2)

NOTE: Dual Rear Wheels (DRW) shown, Single Rear Wheel (SRW) similar.











Front Disc Brake (View 2 of 2)