lemon-mirror:
Home >> Ford >> 2009 >> Taurus FWD V6-3.5L >> Repair and Diagnosis >> Powertrain Management >> Emission Control Systems >> Diagrams

Emission Control Systems: Diagrams




Engine Emission Control

NOTE: Do not permanently remove or render inoperative any part of the vehicle emission control system including related hardware. Failure to comply may violate applicable state and federal law.


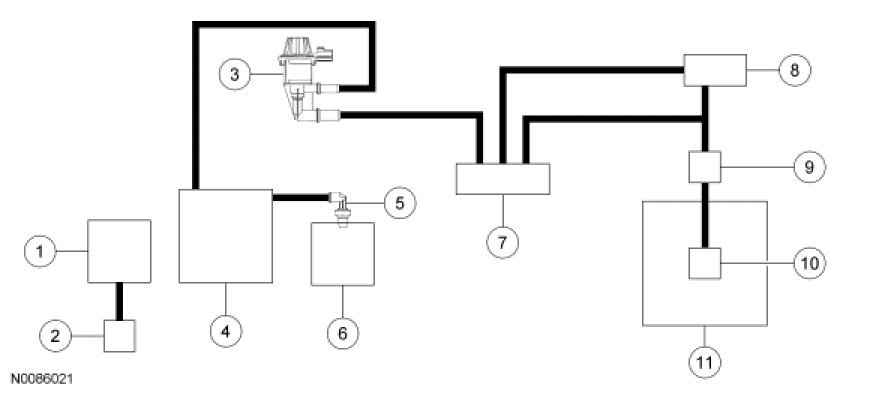
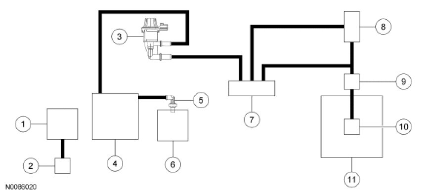
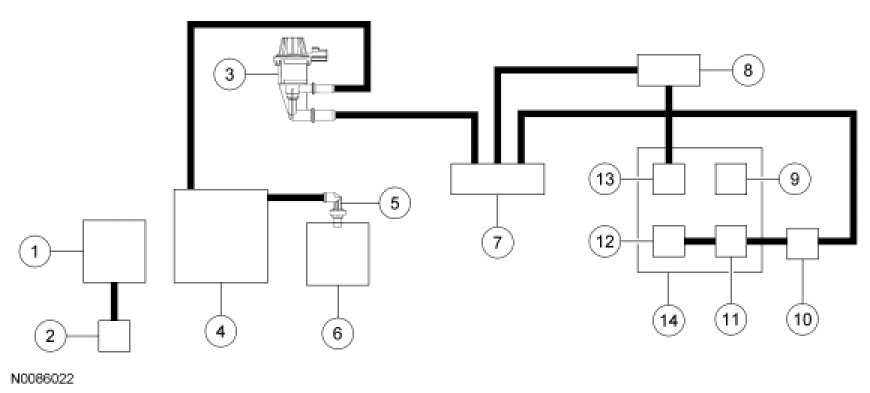
Vehicle Emission Vacuum Routing

Taurus and Sable










Taurus X with Partial Zero Emissions Vehicle (PZEV)










Taurus X with Federal Emissions