lemon-mirror:
Home >> Ford >> 2009 >> Taurus FWD V6-3.5L >> Repair and Diagnosis >> Diagrams >> Exploded Views >> Exhaust System

Exhaust System




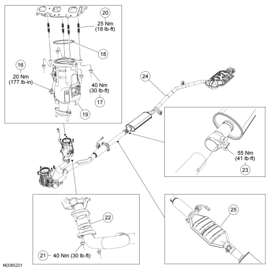
Exhaust System - Exploded View



LH Catalytic Converter and Exhaust Y-Pipe











RH Catalytic Converter, Intermediate Pipe, Catalytic Converter and Muffler Assembly









1. For additional information, refer to the procedures.