lemon-mirror:
Home >> Ford >> 2009 >> Taurus FWD V6-3.5L >> Repair and Diagnosis >> Cruise Control >> Cruise Control Switch >> Service and Repair >> Speed Control Switch

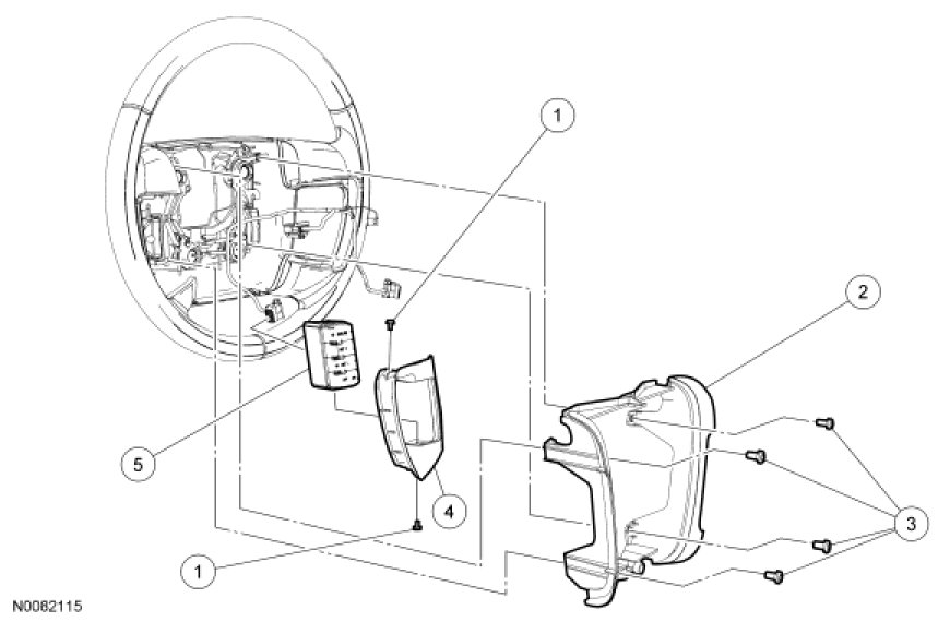
Speed Control Switch




Speed Control Switch









Removal and Installation

NOTE: The speed control switch is unique to the adaptive cruise control system. When installing a new speed control switch, make sure the correct switch for adaptive cruise control is installed.

1. Remove the driver air bag module.

2. Remove the 4 screws and the steering wheel bezel box.

3. Remove the speed control switch and bezel.
- Disconnect the electrical connector.

4. Remove the 2 screws and the speed control switch.

5. To install, reverse the removal procedure.