lemon-mirror:
Home >> Ford >> 2009 >> Ranger 2WD L4-2.3L >> Repair and Diagnosis >> Body and Frame >> Seats >> Seat Temperature Control Module >> Service and Repair

Seat Temperature Control Module: Service and Repair




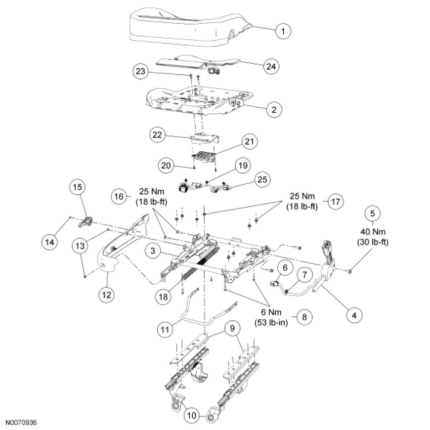
Seat - Exploded View, Front



Seat Backrest, Front, 40 Percent

NOTE: Driver shown, passenger similar.












Seat Backrest, Front, 60 Percent











Seat Cushion, Front, 60 Percent











Seat Cushion, Driver, 40 Percent











Seat Cushion, Front Passenger











Seat Armrest, Front, 60 Percent









1. For additional information, refer to the procedures.