lemon-mirror:
Home >> Ford >> 2009 >> Mustang V8-5.4L SC >> Repair and Diagnosis >> Specifications >> Mechanical Specifications >> Flywheel

Flywheel

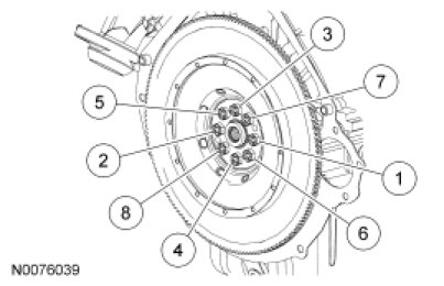
Tighten the flywheel bolts evenly in the sequence shown to fully seat the flywheel on the crankshaft pilot.
Tighten to 80 Nm (59 lb-ft).