lemon-mirror:
Home >> Ford >> 2009 >> Mustang V8-5.4L SC >> Repair and Diagnosis >> Body and Frame >> Frame >> Subframe >> Front Subframe >> Service and Repair >> Engine Subframe and Engine Insulators - Exploded View

Engine Subframe and Engine Insulators - Exploded View




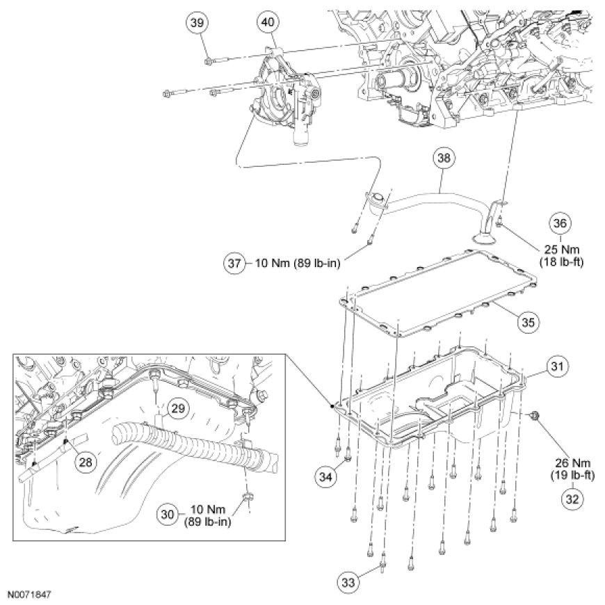
Engine Lubrication Components - Exploded View



Engine Subframe and Engine Insulators











Intermediate Shaft, LH Support Insulator and Engine Oil Filter











Oil Filter Adapter, Coolant Hoses and Oil Cooler











Wiring Harness Retainers, Oil Pump, Oil Pump Screen and Pickup Tube and Oil Pan









1. For additional information, refer to the procedures.