lemon-mirror:
Home >> Ford >> 2009 >> Mustang V8-4.6L >> Repair and Diagnosis >> Powertrain Management >> Computers and Control Systems >> Transmission Position Sensor/Switch >> Adjustments

Transmission Position Sensor/Switch: Adjustments




5R55S

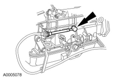
Transmission Range (TR) Sensor Adjustment






Adjust

1. With the vehicle in NEUTRAL, position it on a hoist.

2. Disconnect the selector lever cable from the manual control lever.





3. Loosen the Transmission Range (TR) sensor screws.





4. NOTICE: Tightening one screw before tightening the other may cause the sensor to bind or become damaged.

NOTE: The manual control lever must be in the NEUTRAL position.

Using the TR Sensor Alignment Gauge, align the TR sensor and tighten the screws in an alternating sequence.
- Tighten to 8 Nm (71 lb-in).





5. Install the selector lever cable to the manual control lever.





6. Verify that the selector lever cable is adjusted correctly.