lemon-mirror:
Home >> Ford >> 2009 >> Mustang V8-4.6L >> Repair and Diagnosis >> Body and Frame >> Frame >> Subframe >> Front Subframe >> Service and Repair >> Subframe and Engine Support Insulators - Exploded View

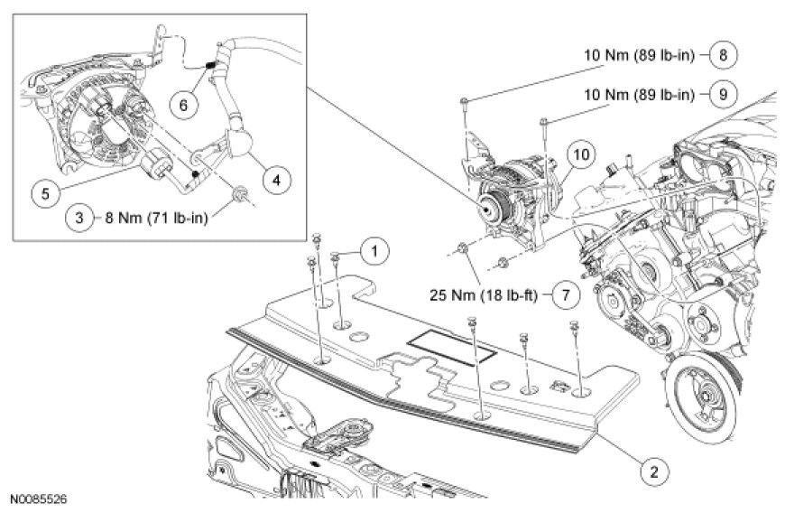
Subframe and Engine Support Insulators - Exploded View




Engine Lubrication Components - Exploded View



Generator and Radiator Sight Shield











Subframe and Engine Support Insulators











Oil Pump, Oil Pan and Oil Pump Screen and Pickup Tube









1. For additional information, refer to the procedures.