lemon-mirror:
Home >> Ford >> 2009 >> Fusion FWD L4-2.3L >> Repair and Diagnosis >> Powertrain Management >> Computers and Control Systems >> Engine Temperature Sensor >> Service and Repair

Engine Temperature Sensor: Service and Repair




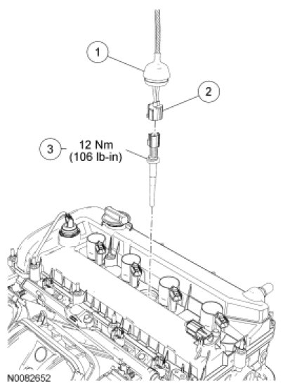
Cylinder Head Temperature (CHT) Sensor









Removal and Installation

1. Detach the Cylinder Head Temperature (CHT) sensor cover and position aside.

2. Disconnect the CHT electrical connector.

3. Remove and discard the CHT.
- To install, tighten to 12 Nm (106 lb-in).

4. To install, reverse the removal procedure.
- Do not reuse the CHT sensor, install a new sensor.