lemon-mirror:
Home >> Ford >> 2009 >> Fusion FWD L4-2.3L >> Repair and Diagnosis >> Body and Frame >> Seats >> Seat Temperature Control Module >> Service and Repair >> Seat - Exploded View, Front

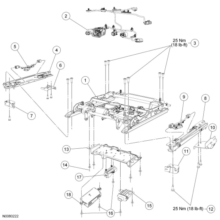
Seat - Exploded View, Front




Seat - Exploded View, Front

Front Seat Backrest without Fold-Flat

NOTE: Driver backrest shown, passenger backrest similar.











Front Seat Backrest with Fold-Flat

NOTE: Optional backrest on passenger seat only.











Driver Seat Cushion

NOTE: Power seat track shown, manual seat track similar.











Passenger Seat Cushion

NOTE: Power seat track shown, manual seat track similar.











Power Seat Track - Passenger









1. For additional information, refer to the procedures.