lemon-mirror:
Home >> Ford >> 2009 >> Focus L4-2.0L >> Repair and Diagnosis >> Powertrain Management >> Computers and Control Systems >> Crankshaft Position Sensor >> Service and Repair

Crankshaft Position Sensor: Service and Repair




Crankshaft Position (CKP) Sensor

















Removal

1. With the vehicle in NEUTRAL, position it on a hoist.

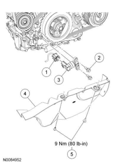
2. Remove the 2 bolts and the accessory drive belt splash shield.

3. Disconnect the Crankshaft Position (CKP) sensor electrical connector.

4. Turn the crankshaft clockwise until the hole in the crankshaft pulley is in the 3 o'clock position.





5. NOTE: The cylinder block plug is located on the exhaust side of the engine block near the CKP sensor.

Remove the cylinder block plug.





6. NOTE: When the crankshaft contacts the Crankshaft TDC Timing Peg, the No. 1 cylinder will be at Top Dead Center (TDC).

Install the crankshaft TDC Timing Peg.
- Turn the crankshaft clockwise until the crankshaft contacts the Crankshaft TDC Timing Peg.





7. Remove the CKP sensor retaining bolts and the sensor.

8. NOTICE: Only hand-tighten the bolt or damage to the front cover can occur.

Install a 6 mm x 18 mm standard bolt.





Installation

1. Install the CKP sensor, but do not tighten the 2 bolts at this time.





2. Using the Crankshaft Sensor Aligner, adjust the CKP sensor. Tighten the 2 CKP sensor bolts to 7 Nm (62 lb-in).





3. Connect the CKP sensor electrical connector.

4. Remove the 6 mm x 18 mm bolt.





5. Remove the Crankshaft TDC Timing Peg.





6. Install the cylinder block plug.
- Tighten to 20 Nm (177 lb-in).





7. Install the accessory drive belt splash shield and the 2 bolts.
- Tighten to 9 Nm (80 lb-in).