lemon-mirror:
Home >> Ford >> 2009 >> Flex FWD V6-3.5L >> Repair and Diagnosis >> Diagrams >> Exploded Views >> Automatic Transmission/Transaxle

Automatic Transmission/Transaxle




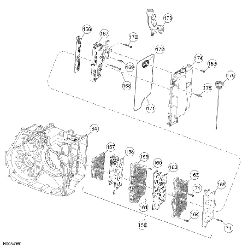
6F50

Transaxle

Disassembled Views