lemon-mirror:
Home >> Ford >> 2009 >> Escape 2WD L4-2.5L Hybrid >> Repair and Diagnosis >> Diagrams >> Exploded Views >> Flywheel

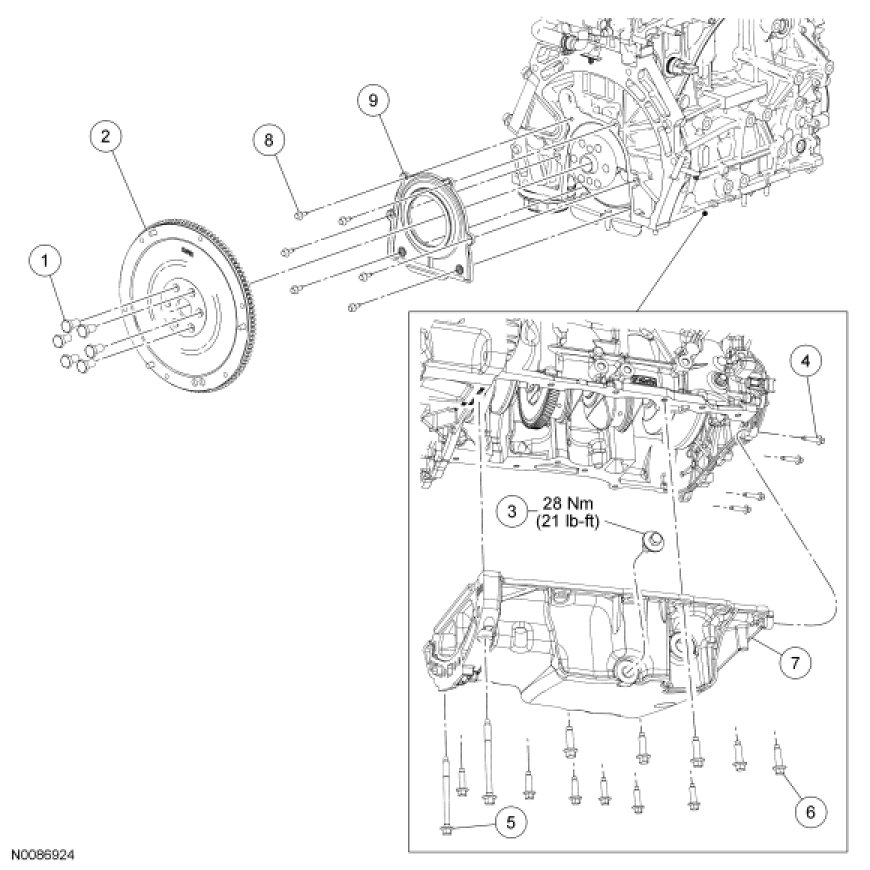
Flywheel




Lower End Components - Exploded View



Crankshaft Pulley and Crankshaft Front Oil Seal











Flywheel and Crankshaft Rear Oil Seal









1. For additional information, refer to the procedures.