lemon-mirror:
Home >> Ford >> 2009 >> E 150 V8-5.4L >> Repair and Diagnosis >> Powertrain Management >> Computers and Control Systems >> Knock Sensor >> Service and Repair

Knock Sensor: Service and Repair




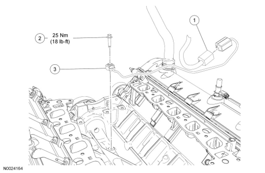
Knock Sensor (KS)

NOTE: 6.8L shown, 4.6L and 5.4L similar.










Removal and Installation

1. Remove the intake manifold.

2. Disconnect the Knock Sensor (KS) electrical connector.

3. Remove the bolt and the KS.
- To install, tighten to 25 Nm (18 lb-ft).

4. To install, reverse the removal procedure.