lemon-mirror:
Home >> Ford >> 2009 >> Crown Victoria V8-4.6L >> Repair and Diagnosis >> Specifications >> Mechanical Specifications >> Engine >> Intake Manifold

Intake Manifold

INTAKE MANIFOLD TORQUE & SEQUENCE:

Tighten the bolts in the sequence shown.
Tighten to 25 Nm (18 lb-ft).






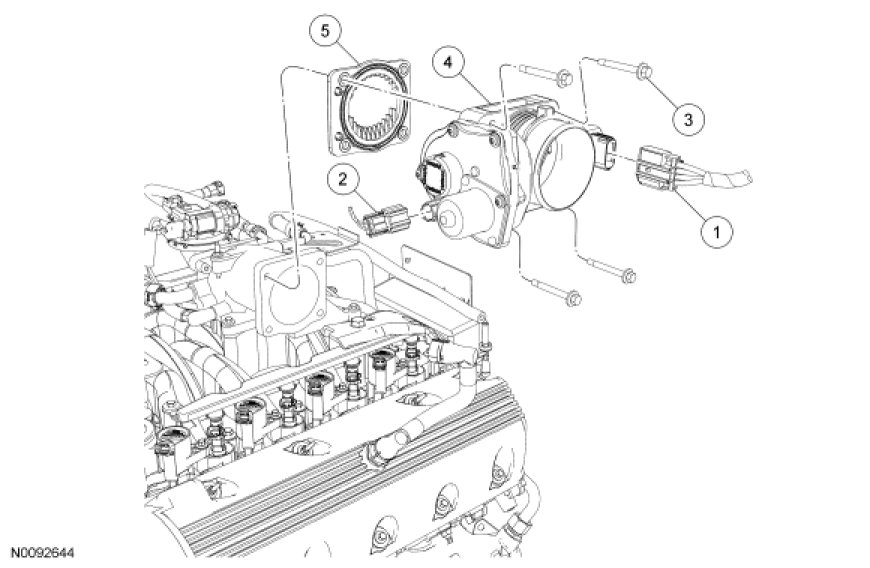
THROTTLE BODY TORQUE & SEQUENCE:










Install a new gasket, the TB and the 4 bolts.
Tighten the bolts in 2 stages.
Stage 1: Tighten to 9 Nm (80 lb-in).
Stage 2: Rotate an additional 90 degrees.