lemon-mirror:
Home >> Ford >> 2008 >> Ranger 2WD V6-3.0L >> Repair and Diagnosis >> Specifications >> Mechanical Specifications >> Engine >> System Specifications >> Torque Specifications

Torque Specifications

Torque Specifications











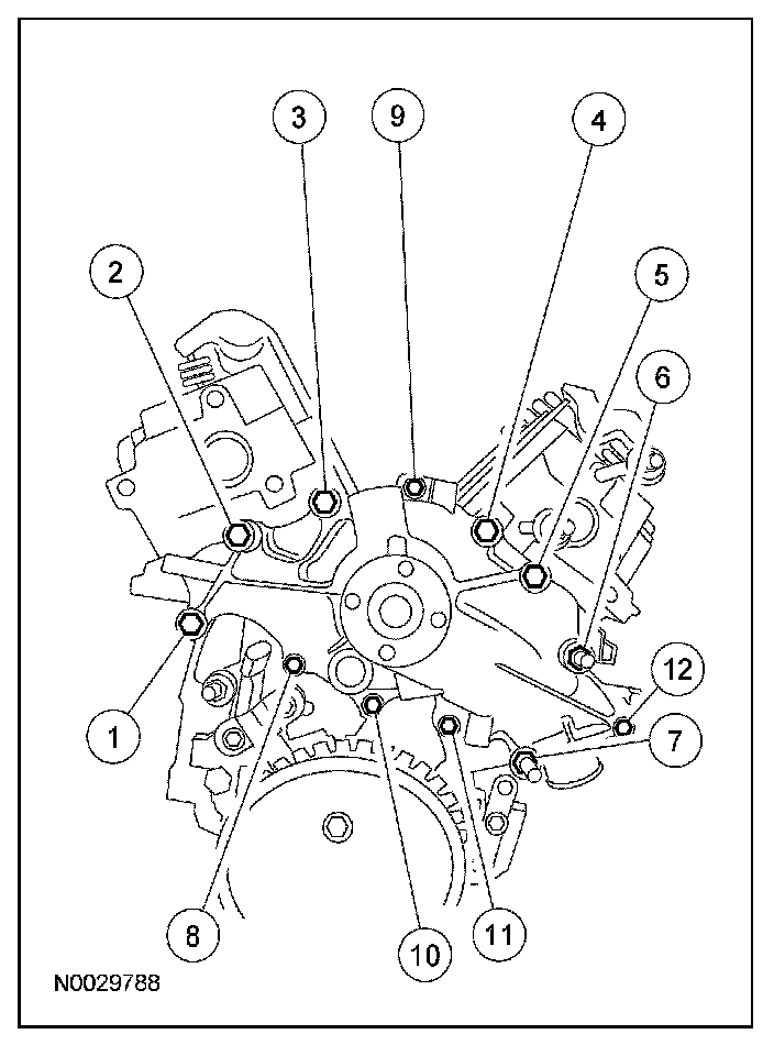
Main Bearing Cap Bolt Sequence:





Coolant pump bolts:
bolts 1-7 25 Nm (18 lb-ft).
bolts 8-12 10 Nm (89 lb-inch).





Flexplate Bolt Sequence Criss-cross pattern
Flywheel Bolt Sequence Criss-cross pattern