lemon-mirror:
Home >> Ford >> 2008 >> Focus L4-2.0L >> Repair and Diagnosis >> Powertrain Management >> Emission Control Systems >> Diagrams

Emission Control Systems: Diagrams

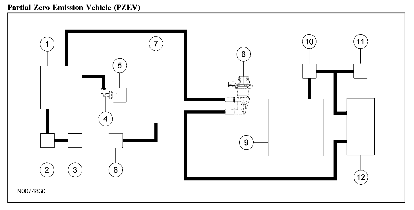
Partial Zero Emission Vehicle (PZEV) (Part 1):



Partial Zero Emission Vehicle (PZEV) (Part 2):



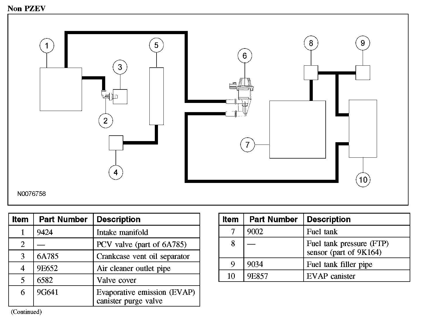
Non PZEV: