lemon-mirror:
Home >> Ford >> 2008 >> Focus L4-2.0L >> Repair and Diagnosis >> Diagrams >> Exploded Views >> Fan Shroud

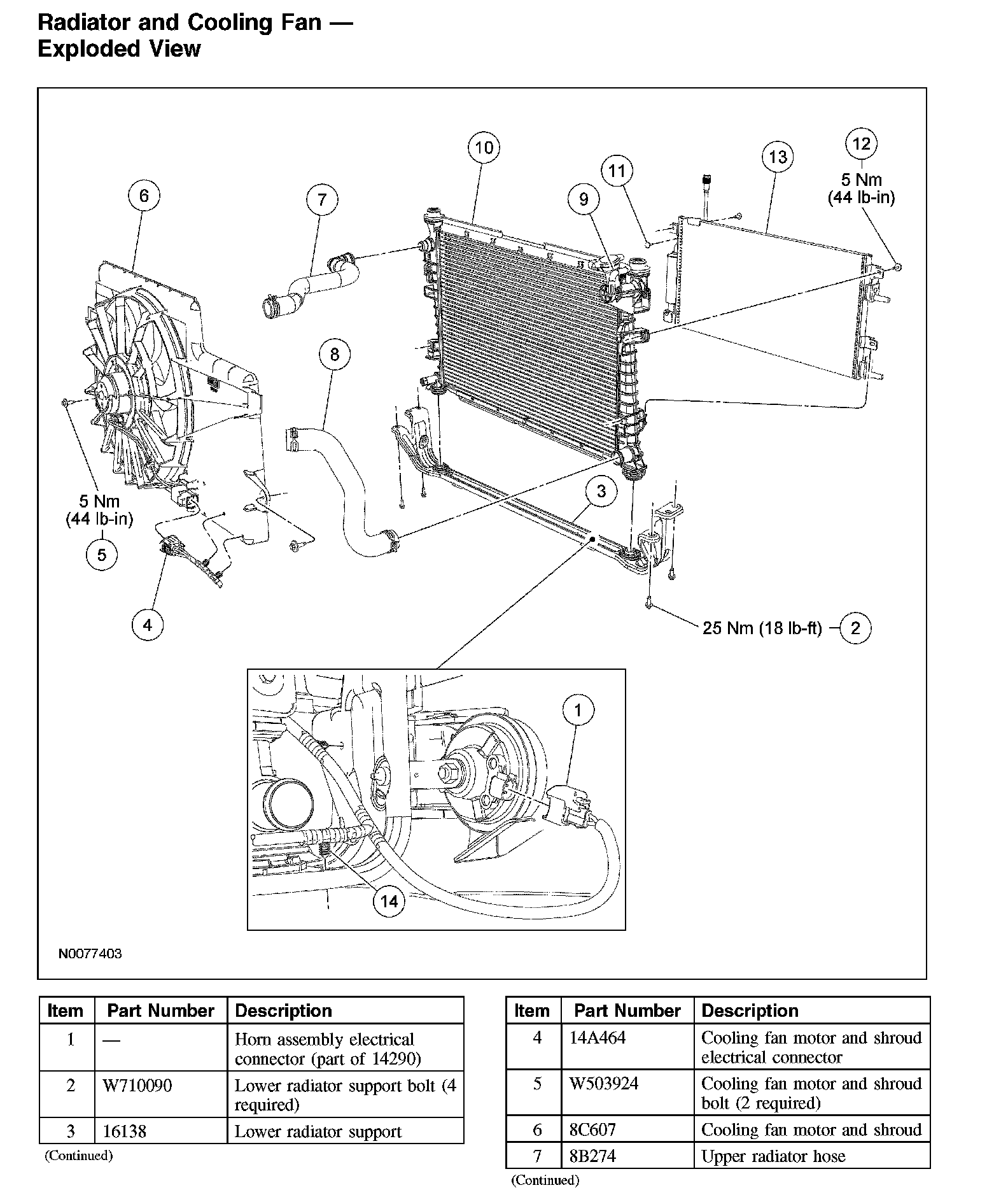
Fan Shroud

Radiator and Cooling Fan - Exploded View

Radiator and Cooling Fan - Exploded View (Part 1):




Radiator and Cooling Fan - Exploded View (Part 2):