lemon-mirror:
Home >> Ford >> 2008 >> Explorer 2WD V6-4.0L >> Repair and Diagnosis >> Heating and Air Conditioning >> Compressor HVAC >> Service and Repair

Compressor HVAC: Service and Repair

AIR CONDITIONING (A/C) COMPRESSOR


Part 1:






Part 2:






Removal and Installation

CAUTION: If installing a new air conditioning compressor due to an internal failure of the old unit, you must carry out the following procedures to remove contamination from the air conditioning (A/C) system. Failure to remove contamination from the A/C system, if present, will result in poor A/C performance and/or damage to the new A/C compressor and other components.
- If A/C flushing equipment is available, carry out flushing of the A/C system prior to installing a new A/C compressor.
- If A/C flushing equipment is not available, carry out filtering of the A/C system after a new A/C compressor has been installed.
- Install a new evaporator core orifice, as directed by the A/C flushing or filtering procedure.
- Install a new suction accumulator as directed by the A/C flushing or filtering procedure.


NOTE:
- If installing a new A/C compressor, the A/C clutch disc and hub, A/C compressor pulley and A/C clutch field coil must be inspected and transferred from the old unit to the new unit if suitable for reuse.
- Installation of a new suction accumulator is not required when repairing the A/C system except when there is physical evidence of system contamination from a failed A/C compressor or damage to the suction accumulator.

1. If flushing of the A/C system has not been carried out, recover the refrigerant.
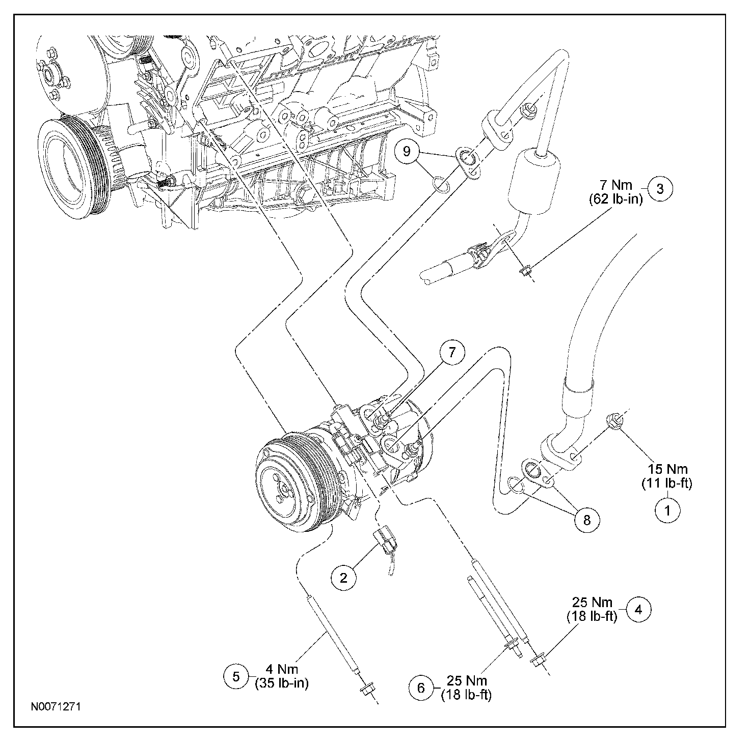
2. Remove the drive belt from the A/C compressor pulley.
3. Remove the 2 A/C compressor fitting nuts.
- Discard the O-ring seals and gasket seals.
- To install, tighten to 15 Nm (11 lb-ft).

4. Disconnect the field coil electrical connector and detach the harness from the A/C compressor stud.
5. Remove the compressor-to-condenser discharge line bracket nut and detach the bracket.
- To install, tighten to 7 Nm (62 lb-in).

6. Remove the 2 A/C compressor nuts.
- To install, tighten to 25 Nm (18 lb-ft).

7. Remove the 2 A/C compressor studs.
- To install, tighten to 4 Nm (35 lb-in).

8. Remove the A/C compressor bolt.
- To install, tighten to 25 Nm (18 lb-ft).

9. Remove the A/C compressor.
10. To install, reverse the removal procedure.
- If a new A/C compressor is to be installed, the clutch assembly must be transferred from the old unit to the new unit.
- Install new O-ring seals and gasket seals.
- If filtering of the A/C system is not to be carried out, lubricate the refrigerant system with the correct amount of clean PAG oil.

11. If filtering of the A/C system is not to be carried out, evacuate, leak test and charge the refrigerant system.