lemon-mirror:
Home >> Ford >> 2008 >> Crown Victoria V8-4.6L >> Repair and Diagnosis >> Diagrams >> Connector Views >> Body Control Module >> Driver Door Module (DDM)

Driver Door Module (DDM)

C501A:



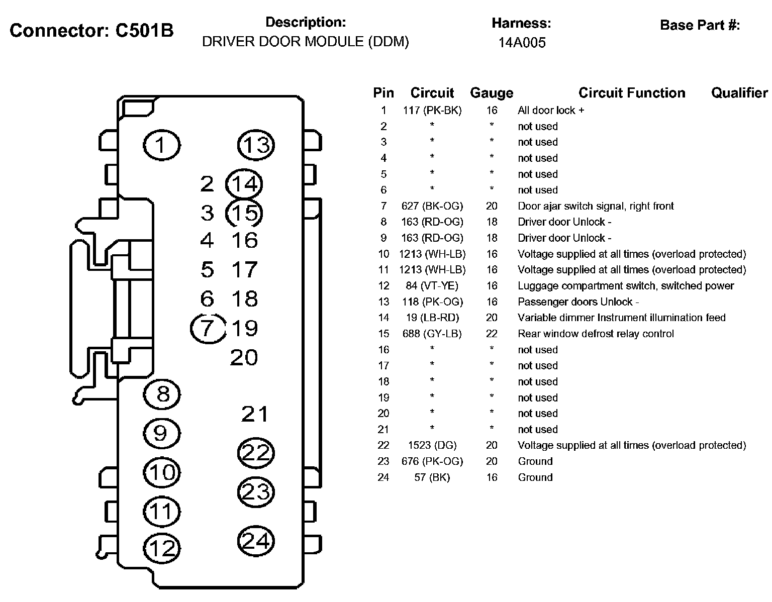
C501B:



C501C: