lemon-mirror:
Home >> Ford >> 2007 >> Focus L4-2.3L VIN Z >> Repair and Diagnosis >> Powertrain Management >> Ignition System >> Spark Plug >> Service and Repair

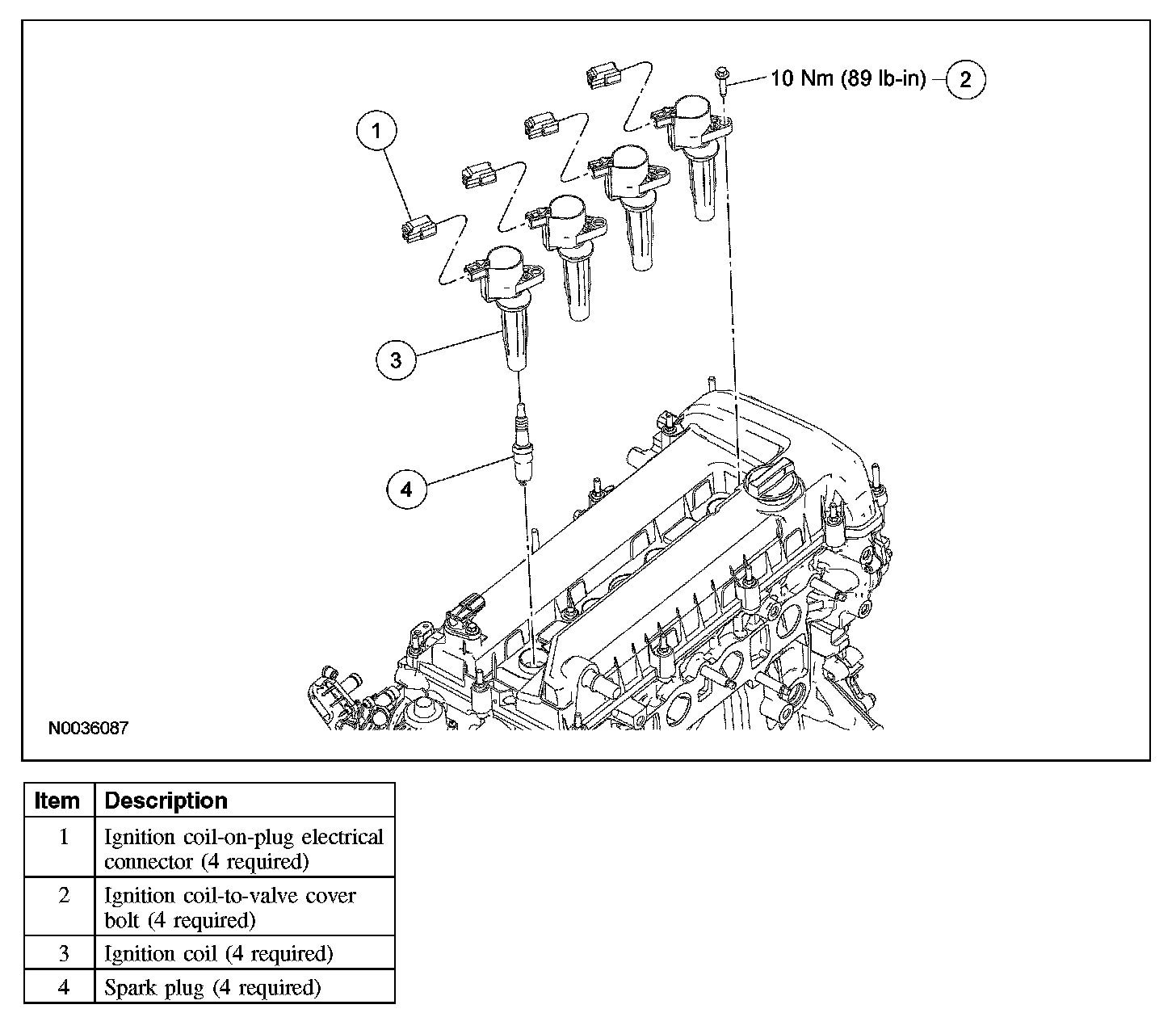
Spark Plug: Service and Repair

SPARK PLUGS







Exploded View

Removal and Installation
1. Remove the ignition coil.

2. CAUTION: Only use hand tools when removing or installing the spark plugs, or damage can occur to the cylinder head or spark plug.

NOTE: Remove foreign material from the spark plug well using compressed air.

Remove the spark plug.
- To install, tighten to 12 Nm (9 lb-ft).







3. Inspect the spark plugs.







4. Check and adjust the spark plug gap as necessary.
5. To install, reverse the removal procedure.