lemon-mirror:
Home >> Ford >> 2007 >> Escape 2WD V6-3.0L VIN 1 >> Repair and Diagnosis >> Diagrams >> Exploded Views >> Engine Lubrication

Engine Lubrication

Engine Lubrication Components - Exploded View

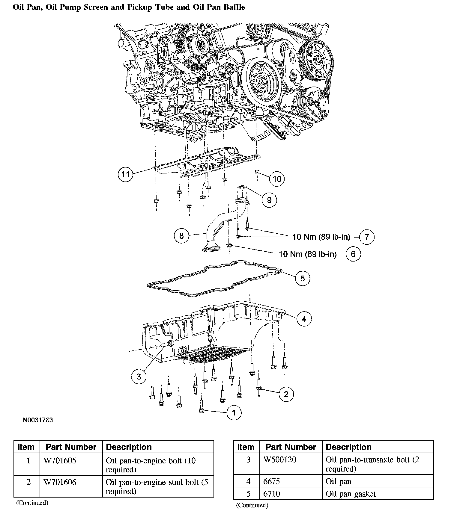
Oil Pan, Oil Pump Screen and Pickup Tube and Oil Pan Baffle (Part 1):




Oil Pan, Oil Pump Screen and Pickup Tube and Oil Pan Baffle (Part 2):




Oil Pump: