lemon-mirror:
Home >> Ford >> 2007 >> E 150 V8-5.4L >> Repair and Diagnosis >> Powertrain Management >> Computers and Control Systems >> Engine Control Module >> Service and Repair

Engine Control Module: Service and Repair

POWERTRAIN CONTROL MODULE (PCM)







Removal and Installation
1. Retrieve the module configuration. Carry out the module configuration retrieval steps of the Programmable Module Installation procedure.
2. Remove the air cleaner assembly and air cleaner outlet tube.
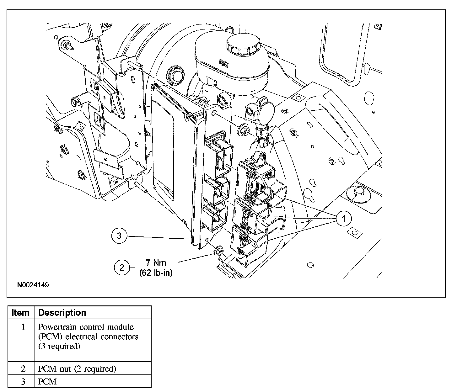
3. Disconnect the 3 powertrain control module (PCM) electrical connectors.
4. Remove the 2 retaining nuts and PCM.
- To install, tighten to 7 Nm (62 lb-in).

5. To install, reverse the removal procedure.