lemon-mirror:
Home >> Ford >> 2006 >> Taurus V6-3.0L VIN U >> Repair and Diagnosis >> Powertrain Management >> Computers and Control Systems >> Relays and Modules - Computers and Control Systems >> Engine Control Module >> Service and Repair

Engine Control Module: Service and Repair

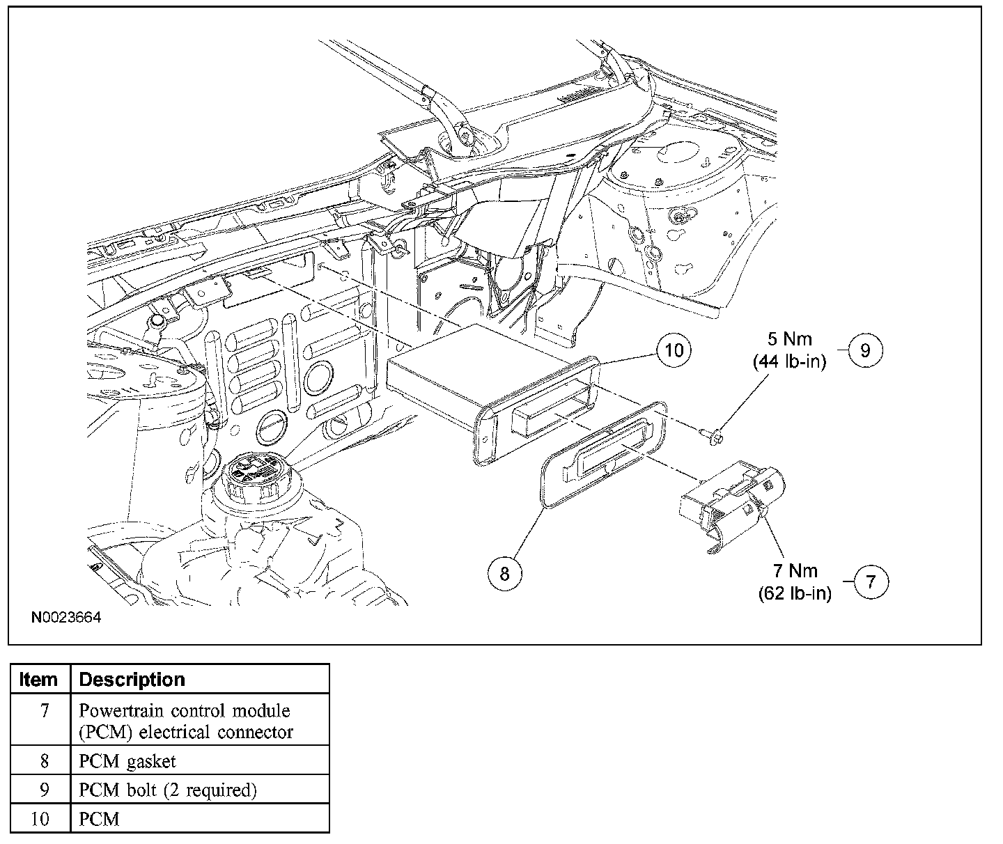
POWERTRAIN CONTROL MODULE (PCM)












Removal and Installation
1. Park the windshield wiper arms in the highest position on the windshield.
2. Disconnect the battery ground cable.







3. Remove the 3 retaining clips (2 shown) and the RH cowl panel grille.







4. Remove the clip on the RH cowl extension panel.
5. Remove the 3 screws and the RH cowl extension panel.







6. Disconnect the evaporative emission (EVAP) canister purge valve return tube at the intake manifold and position aside.
7. Disconnect the powertrain control module (PCM) electrical connector and remove the gasket.
- To install, tighten to 7 Nm (62 lb-in).

8. Remove the 2 retaining bolts and the PCM.
- To install, tighten to 5 Nm (44 lb-in).

9. To install, reverse the removal procedure.