lemon-mirror:
Home >> Ford >> 2006 >> Focus L4-2.0L VIN N >> Repair and Diagnosis >> Powertrain Management >> Computers and Control Systems >> Transmission Position Sensor/Switch >> Service and Repair

Transmission Position Sensor/Switch: Service and Repair

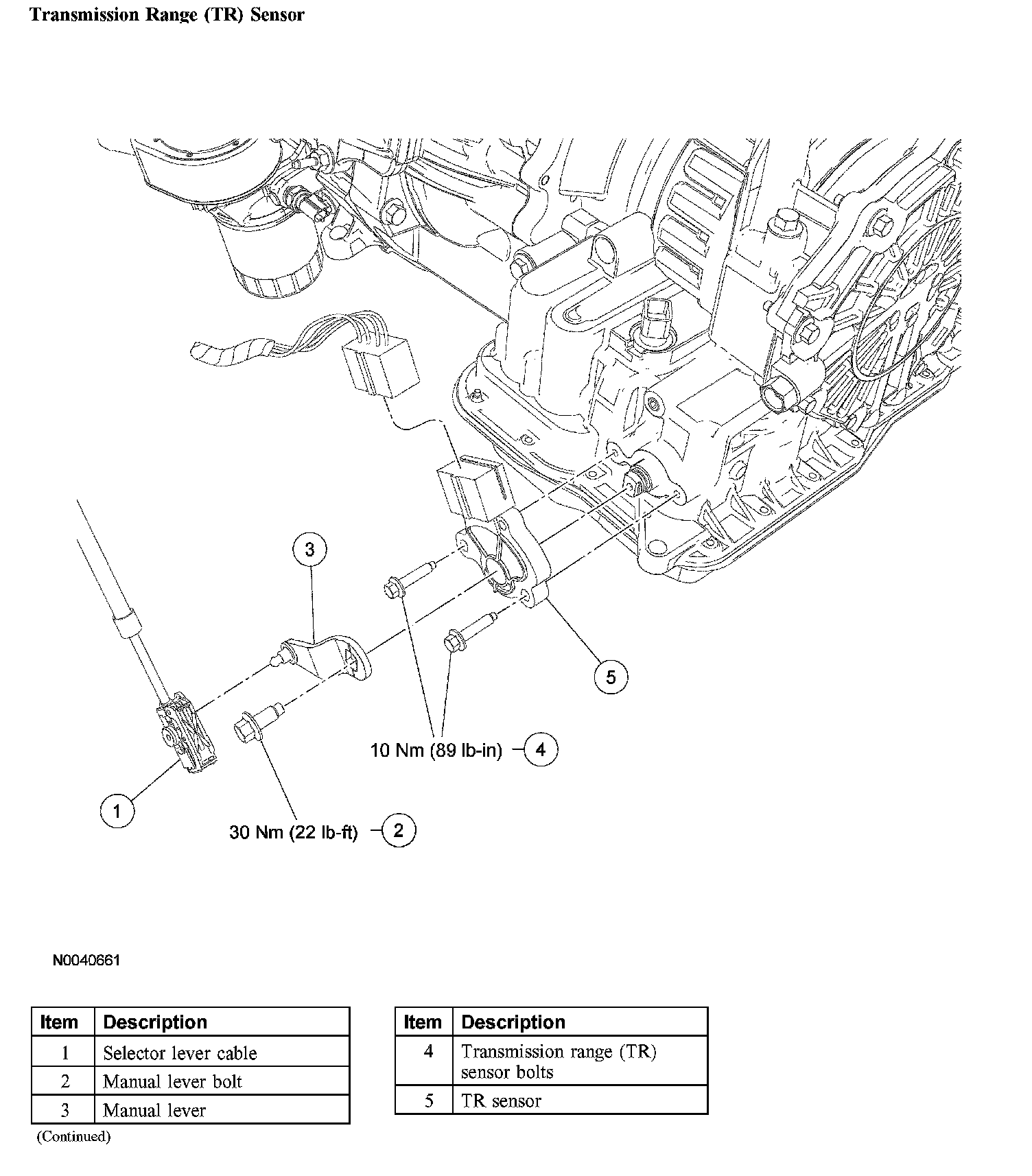
Transmission Range (TR) Sensor

Special Tool(s):




Transmission Range (TR) Sensor:






Removal





1. Disconnect the transmission range (TR) sensor electrical connector and the selector lever cable.





2. NOTE: Failure to hold the shift lever while loosening or tightening the manual shaft lever will transmit rotational torque to the TR switch and shift mechanism.

Remove the TR sensor (automatic transaxle shown removed for clarity).
1 Remove the manual control lever.
2 Remove the bolts.

Installation





1. NOTE: Failure to hold the shift lever while loosening or tightening the manual shaft lever will transmit rotational torque to the TR switch and shift mechanism.

NOTE: Do not fully tighten the bolts at this stage.

Install the TR sensor (automatic transaxle shown removed for clarity).





2. Using the special tool, align the TR sensor and tighten the bolts.
^ Tighten to 10 Nm (89 inch lbs.).





3. CAUTION: Do not use air tools on this bolt. Hold the manual control lever while tightening the manual control lever bolt, failure to the manual control lever shaft or the TR sensor could occur.

Install the manual control lever.
^ Tighten to 30 Nm (22 ft. lbs.).





4. CAUTION: Check the manual control lever is in position 3 same as D position.

Adjust the manual control lever to TR sensor D position.
1 1 Low 1
2 2 Low 2
3 D Drive
4 N Neutral
5 R Reverse
6 P Park
When in position D the marks on the manual control lever line up with the marks on the TR sensor.





5. Connect the selector lever cable and the TR sensor electrical connector.