lemon-mirror:
Home >> Ford >> 2006 >> Explorer 4WD V6-4.0L VIN E >> Repair and Diagnosis >> Diagrams >> Exploded Views >> Timing Components

Timing Components

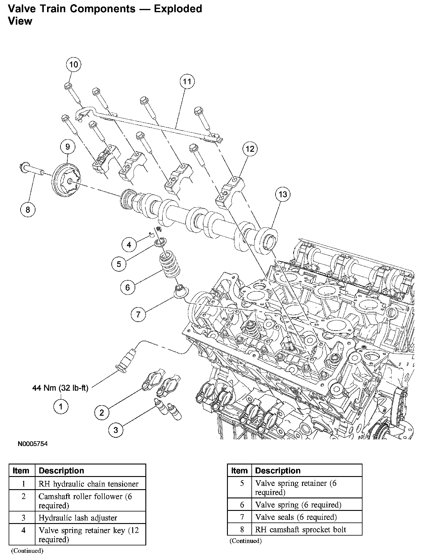
Valve Train Components - Exploded View

Valve Train Components - Exploded View:




Valve Train Components - Exploded View:




Valve Train Components - Exploded View:




Valve Train Components - Exploded View: