lemon-mirror:
Home >> Ford >> 2006 >> Escape 2WD V6-3.0L VIN 1 >> Repair and Diagnosis >> Diagrams >> Exploded Views >> Engine >> Timing Components

Timing Components

Valve Train Components - Exploded View

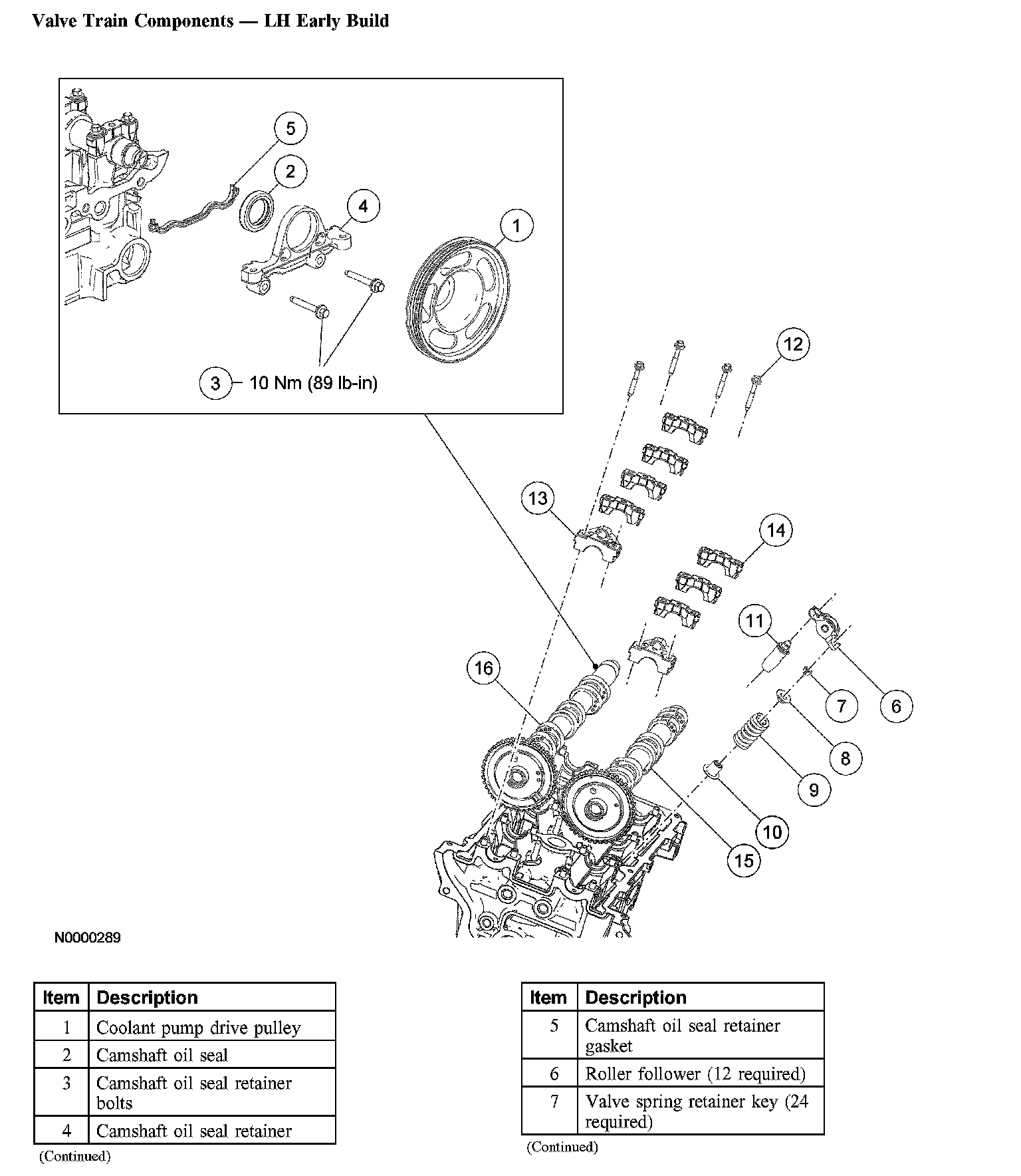
Valve Train Components - LH Early Build:




Valve Train Components - LH Early Build:




Valve Train Components - LH Late Build:




Valve Train Components - LH Late Build:




Valve Train Components - RH:




Valve Train Components - RH: