lemon-mirror:
Home >> Ford >> 2006 >> Escape 2WD V6-3.0L VIN 1 >> Repair and Diagnosis >> Diagrams >> Exploded Views >> Engine >> Engine Lubrication

Engine Lubrication

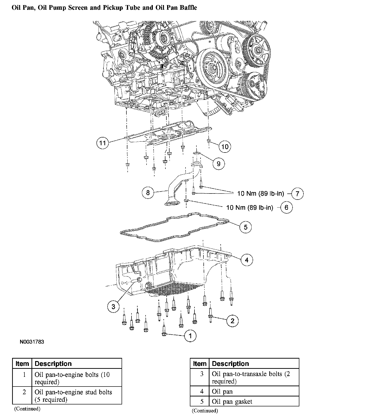
Oil Pan, Oil Pump Screen and Pickup Tube and Oil Pan Baffle:



Oil Pan, Oil Pump Screen and Pickup Tube and Oil Pan Baffle:



Oil Pump: