lemon-mirror:
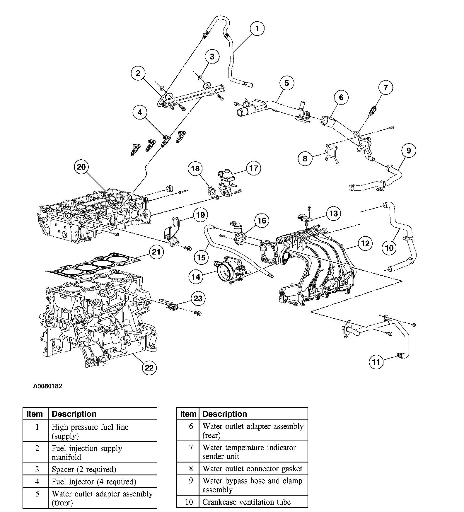
Home >> Ford >> 2005 >> Ranger 2WD L4-2.3L VIN D >> Repair and Diagnosis >> Diagrams >> Exploded Views >> Engine >> Intake Manifold

Intake Manifold