lemon-mirror:
Home >> Ford >> 2005 >> Freestar V6-4.2L VIN 2 >> Repair and Diagnosis >> Diagrams >> Exploded Views >> Engine >> System Diagram >> Engine - Upper Components

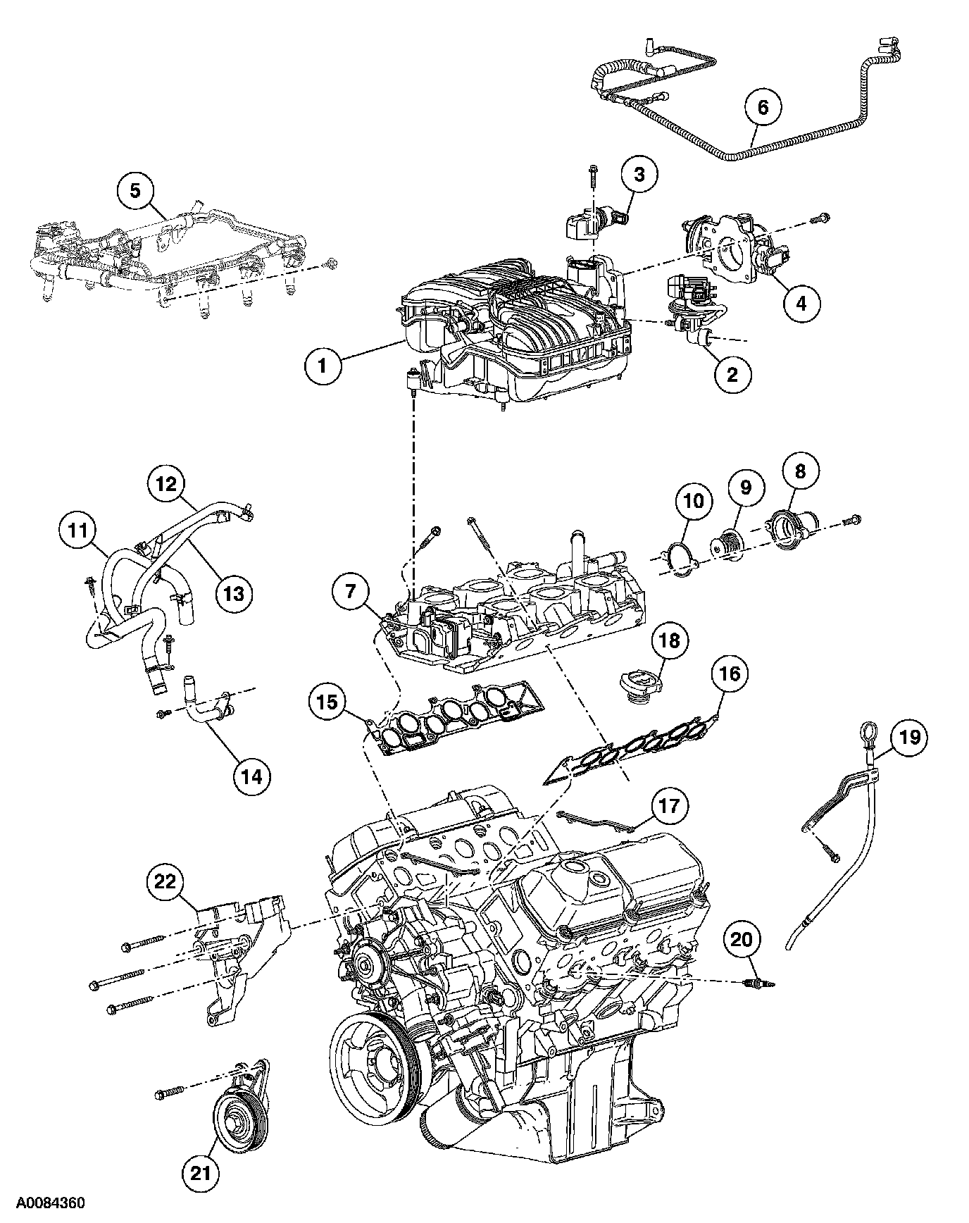
Engine - Upper Components