lemon-mirror:
Home >> Ford >> 2005 >> Explorer 2WD V6-4.0L VIN E >> Repair and Diagnosis >> Diagrams >> Exploded Views >> Timing Components

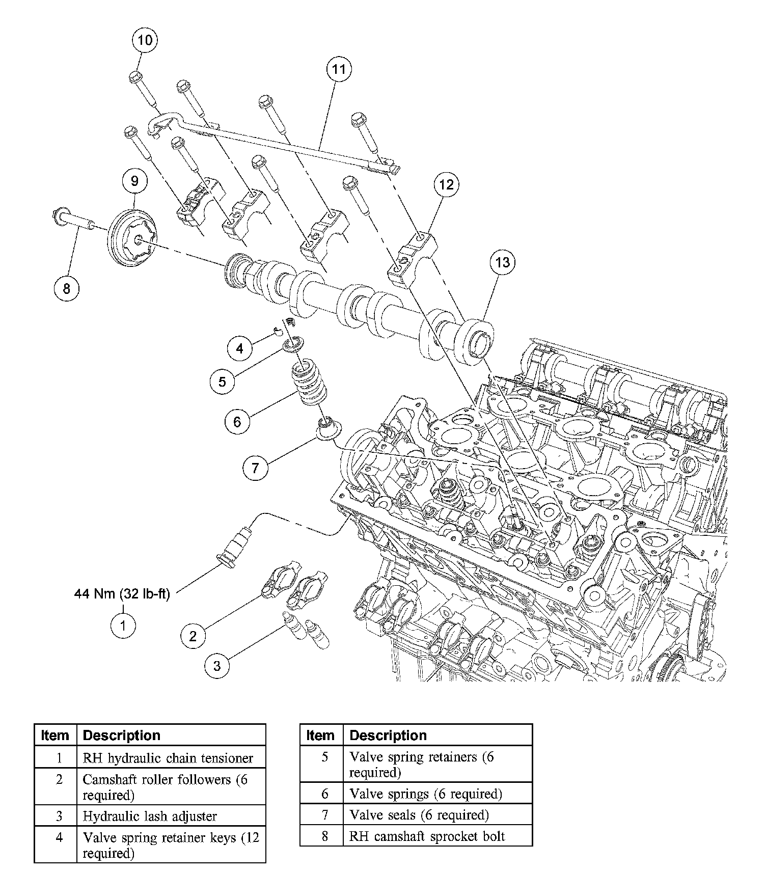
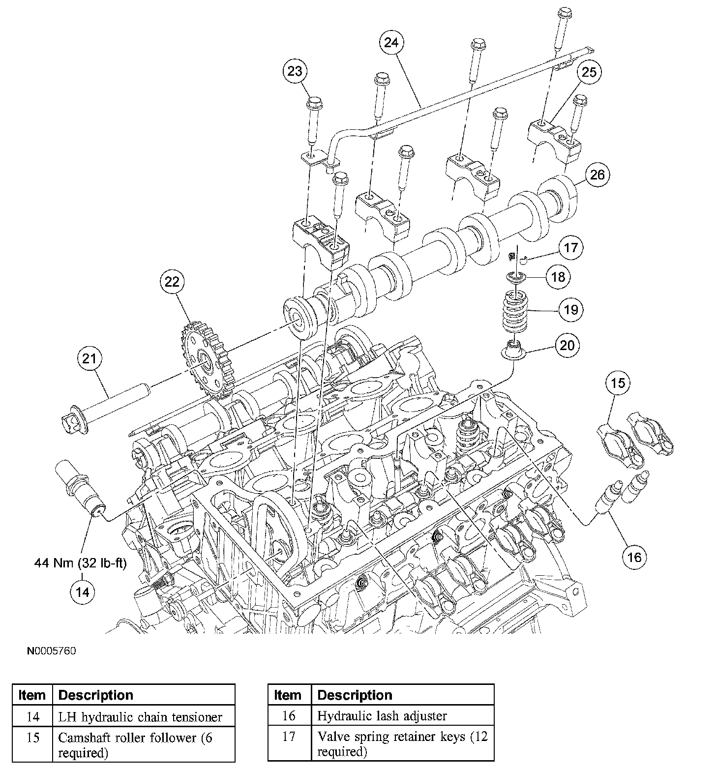
Timing Components