lemon-mirror:
Home >> Ford >> 2005 >> Excursion 2WD V8-6.0L DSL Turbo VIN P >> Repair and Diagnosis >> Specifications >> Mechanical Specifications >> Engine >> Cylinder Block Assembly >> System Specifications

System Specifications

Cylinder Block
Cylinder bore diameter 94.999 - 95.001 mm (3.7401 - 3.7402 inch)
Cylinder bore maximum taper 0.076 mm (0.003 inch)
Cylinder bore maximum out-of-round 0.05 mm (0.002 inch)
Main bearing bore inside diameter 85.99 - 86.01 mm (3.3854 - 3.3862 inch)
Camshaft bearing bore inside diameter 65.98 - 66.02 mm (2.597 - 2.599 inch)
Head gasket surface flatness 0.10 mm (0.004 inch) across the total area 0.05 mm (0.002 inch) across any 150 mm (5.9 inch) x 150 mm (5.9 inch) area 0.025 mm (0.001 inch) across any 25 mm (0.98 inch) x 25 mm (0.98 inch) area

Crankshaft
Main bearing journal diameter-Standard size 80.9873 - 81.0127 mm (3.188 - 3.150 inch)
Main bearing journal diameter -0.254 mm (0.010 inch) undersize 80.7333 - 80.7587 mm (3.178-3.140 inch)
Main bearing journal diameter-0.508 mm (0.020 inch) undersize 80.4793 - 80.5047 mm (3.168 - 3.130 inch)
Main bearing journal diameter-0.762 mm (0.030 inch) undersize 80.2253 - 80.2507 mm (3.158 - 3.120 inch)
Main bearing journal maximum taper
Main bearing journal maximum out-of-round
Main bearing journal-to-cylinder block clearance 0.020 - 0.086 mm (0.008 - 0.0034 inch)
Connecting rod journal diameter
Standard size 68.99 to 69.01 mm (2.716 to 2.717 inch)
0.254 mm (0.010 inch under size) 68.73 to 68.75 mm (2.706 to 2.707 inch)
0.508 mm (0.020 inch) under size 68.48 to 68.50 mm (2.696 to 2.697 inch)
0.762 mm (0.030 inch) under size 68.23 to 68.25 mm (2.686 to 2.687 inch)
Connecting rod journal maximum taper
Connecting rod journal maximum out-of-round
Crankshaft maximum end play 0.508 mm (0.020 inch)

Piston And Connecting Rod
Piston diameter- Standard size 94.9460 - 94.9186 mm (3.737 - 3.738 inch)
Piston diameter-0.254 mm (0.010 inch) oversize 95.1738 - 95.1992 mm (3.747 - 3.748 inch)
Piston diameter-0.508 mm (0.020 inch) oversize 95.4278 - 95.4532 mm (3.757 - 3.758 inch)
Piston diameter-0.762 mm (0.030 inch) oversize 95.6818 - 95.7072 mm (3.767 - 3.768 inch)
Piston-to-cylinder bore clearance 0.0441 - 0.0909 mm (0.0017 - 0.0036 inch)
Piston ring end gap-top compression 0.29 - 0.55 mm (0.011 - 0.021 inch)
Piston ring end gap- intermediate compression 1.40 - 1.66 mm (0.055 - 0.065 inch)
Piston ring end gap-oil control 0.24 - 0.50 mm (0.009 - 0.019 inch)
Piston ring groove width (measured over 2.08 mm (0.082 inch) gauge pins) Upper limit-94.469 mm (3.7192 inch)
Piston ring groove width Replacement limit- (measured over 2.08 mm (0.082 inch) gauge pins) 94.290 mm (3.7122 inch)
Piston ring width
Piston ring-to-groove clearance
Piston pin bore diameter
Piston pin diameter 33.9975 - 34.0025 mm (1.3385 - 1.3387 inch)
Piston pin length 65.073 - 65.327 mm (2.5619 - 2.5719 inch)
Piston pin-to-piston fit 0.013 - 0.022 mm (0.0005 - 0.0009 inch)
Connecting rod-to-pin clearance
Connecting rod pin bore diameter
Connecting rod length (center-to-center) 176 mm (6.929 inch)
Connecting rod maximum allowed bend
Connecting rod maximum allowed twist
Connecting rod bearing bore diameter 72.987 - 73.013 mm (2.8735 - 2.8745 inch)
Connecting rod bearing-to-crankshaft clearance 0.0203 - 0.0837 mm (0.008 - 0.0033 inch)
Connecting rod side clearance 0.3 - 0.6 mm (0.012 - 0.024 inch)

Connecting Rod cap bolts
Tighten to 45 Nm (33 ft. lbs.).
Tighten to 68 Nm (50 ft. lbs.).





Crankshaft Main Bearing
Install the lower crankcase. Install all 20 lower crankcase main bearing mounting bolts. Tighten the mounting bolts in the following sequence.

1) Tighten to 122 Nm (90 ft. lbs.) in numerical sequence.
2) Tighten to 163 Nm (120 ft. lbs.) in numerical sequence.
3) Tighten to 231 Nm (170 ft. lbs.) in the numerical sequence.





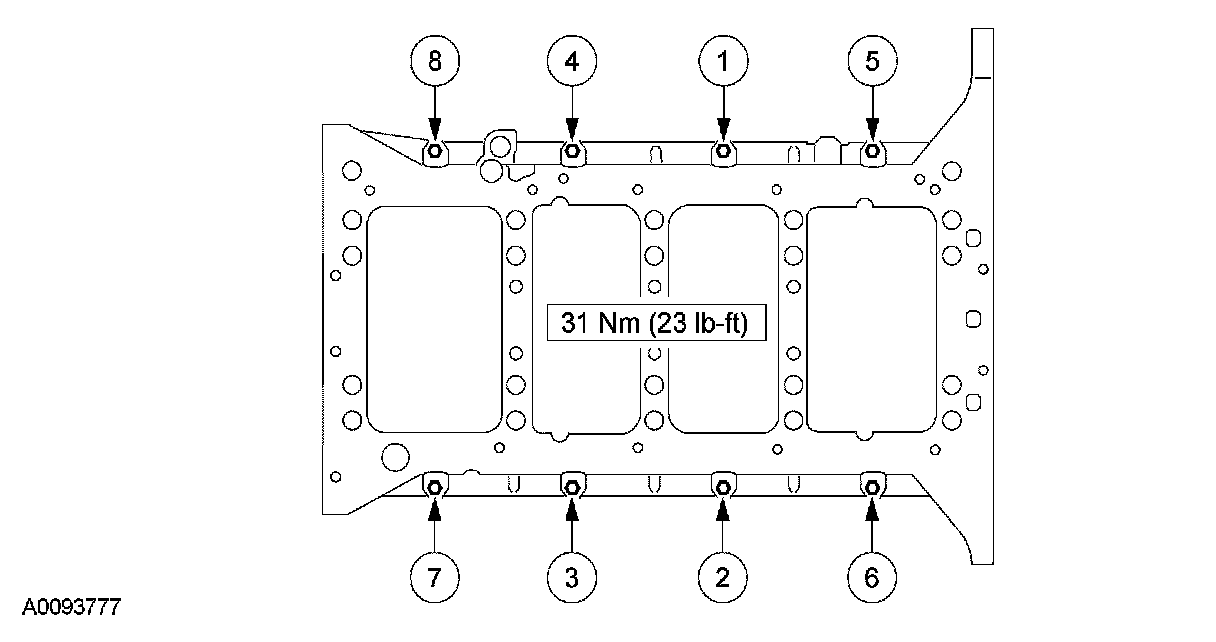
Install eight M8 x 30 bolts around the outside of the lower crankcase. Tighten bolts to the special torque using the sequence shown.





Install the lower crankcase. Install all 20 lower crankcase main bearing mounting bolts. Tighten mounting bolts in the following sequence.

1) Tighten to 122 Nm (90 ft. lbs.) in numerical sequence.
2) Tighten to 163 Nm (120 ft. lbs.) in numerical sequence.
3) Tighten to 231 Nm (170 ft. lbs.) in the numerical sequence.





Install eight M8 x 30 bolts around the outside of the lower crankcase. Tighten bolts to the special torque using the sequence shown.

Harmonic Balancer
Tighten to 68 Nm (50 ft. lbs.)
Tighten an additional 90 degrees

Crankshaft pulley bolts (dual alternators) 47 Nm (35 ft. lbs.)